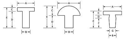
Applications : “T“
Shaped bumper – ideal for applications where holes are in thick materials, installation
requires “friction fit” parts or parts are installed with an adhesive. Used in places where parts
require field trimming after installing for clearance purposes. Most commonly used in cabinets,
drawer slides, furniture, file cabinets, storage systems, etc.
Materials : SBR, Isoprene, Neoprene, Silicone, Natural Rubber, Nitrile and Viton.
Hardness : 30 to 80 Durometer Shore A.
Colors : Black, Tan, and Grey are most common. Other colors available. PMS color match available in most compounds.
Material Temperature Range : Depending on material, -180°F to 550°F
| ES Part No. |
Std. Part # |
Head Dia. (A) |
Stem Dia. (B) |
Head Ht. (C ) |
Stem Length (D) |
Overall Ht. (E) |
| 31880 | 713 | 5/16 | 3/16 | 1/8 | 3/16 | 5/16 |
| 32100 | 799 | 5/8 | 7/16 | 7/32 | 1/2 | 23/32 |
| 35770 | 1111 | 3/4 | 3/8 | 3/8 | 3/8 | 3/4 |
| 61110 | 1025 | 1/2 | 17/64 | 7/64 | 17/64 | 3/8 |
| 61180 | 242 | 1-1/4 | 3/4 | 1/4 | 11/16 | 15/16 |
| ES Part No. |
Head Dia. (A) |
Stem Dia. (B) |
Head Ht. (C ) |
Stem Length (D) |
Overall Ht. (E) |
Chamfer Ht. (F) |
Chamfer Dia. (G) |
|
| 31770 | 1165 | 5/32 | 1/8 | 1/16 | 1/8 | 7/16 | 1/4 | 1/8 |

